Üstün teknoloji ile üretilen ÜNMAK ÜKY/DUOPEL üç geçişli kalorifer kazanları TS EN 303-5 Standardına uygundur. Brülör yanma yüzeyleri paslanmaz çelik (krom), kazana akuple edilmiş brülörü sayesinde yerli ve yabancı her kalite odun peletini, su borulu ızgarası da kütük odunları yakmaya uygun hale getirmekte ve tam yanmayı sağlamaktadır.
Pelet, çift yakıtlı olarak da kullanılabilen, piyasada odun peleti olarak bilinen peletleri brülörde yakmak için tasarlanmıştır. Brülör üzerindeki, ızgara görevi gören, yüksek karbonlu özel boruların üzerinde blok odun yakılabilmektedir.
Otomatik yakıt yüklemesi ile sağlıklı yanma sağlamaktadır. Isıl ihtiyaca göre yükleme yaptığı için yanma haznesinde gereğinden fazla yakıt bulunması önlenmiştir.
Otomatik tutuşturma fonksiyonu ile kumanda panelinden tek tuşla kazan çalıştırma yapması sağlanmıştır.
Yakıt sensörü sayesinde yakıt haznesinde yakıtın bittiğini haber vermesi sağlanmıştır.
Prizmatik gövdesi ile kompakt yapıya sahiptir, dar alanlara monte edilebilmeyi kolaylaştırmaktadır.
Üç geçişli yapısı sayesinde dumandaki ısı enerjisini suya aktarma yüzeyini arttırmakta ve emisyonları azaltmaktadır.
Dilimli (su ceketli-bufferlı) yapısı ile temizleme ve baca çekişinde kolaylık sağlamaktadır.
Dijital kontrol paneli ile daha hassas termostat kontrolünü sağlamaktadır. Yakıt kalitesine göre yükleme ayarlarına müdahale imkânı vermekte, yakıtın en uygun miktarda yanma haznesine göndermeyi sağlamaktadır. Ayarlanan sıcaklığa ulaştığında yakıt beslemesini ve fanı durdurmakta, sıcaklık düştüğünde bu aksamları tekrar devreye alarak, ısıtmaya kaldığı yerden devam etmektedir.
Baca sıcaklığının kontrol panelinden izlenebilme imkânı sağlamaktadır.
Fan sayesinde, ayarlanan sıcaklık derecesine daha hızlı çıkmakta, yanma optimizasyonu sağlamaktadır.
Oda termostatı bağlanabilme seçeneği ile uzaktan kazan suyu sıcaklığını ayarlama konforu sağlanmıştır.
Isı yalıtımı yapılmış gövde sayesinde kazan yüzeyinden yayılan sıcaklığın içeride tutulması yakıt tasarrufu sağlamaktadır.
Yanmayı erteleme: Dış hava sıcaklığının yüksek olması durumunda kumanda panosundan kazan kapatılabilmektedir. Bu durumda fanın kapanması ile yanan yakıt kararıp yanma ertelenmektedir. Tekrar ısı ihtiyacı doğduğunda kazan, kumanda panosundan açılarak tutuşturma gerekmeden yanmaya devam etmekte ve istenen ısıya kısa sürede ulaşmaktadır (yanma erteleme, kömür kalitesine göre 24 saate kadar yapılabilmektedir).
Otomatik stop özelliği sayesinde, yakıt bitince kontrol paneli algılamakta; fan ve sirkülasyon pompası otomatik olarak durmaktadır. Bu özelliği ile enerji tasarrufu sağlanmaktadır.
Kolay kullanımlı geniş doldurma, dilimlerin arasını temizleme ve kül alma kapakları sayesinde yakıt doldurma, tutuşturma, kül alma dilim arası temizleme işlemleri rahatça yapılabilmektedir.
Şık görünümü ve paslanmaya karşı korunumu, kazan dışına kaplanan kaporta sacları elektrostatik toz boyaya ile kaplanarak sağlanmıştır. Kazan yüzeyleri özel yaş boya ile korunmaktadır.
Boyler ilavesi ile sıcak su elde etme imkânı sağlamaktadır.
Yaygın servis ağı ve yedek parça hizmeti tüm yurtta yüz elliyi aşkın noktadan sağlanmaktadır.
ÜNMAK kalorifer kazanları üretim hatalarına karşı 2 yıl garanti altına alınmıştır.
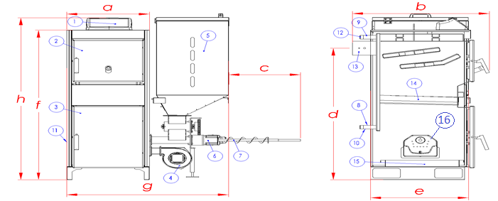
| 1. Kontrol paneli |
5. Yakıt haznesi (Bunker) |
9. Genleşme gidiş hattı |
13. Baca |
| 2. Odun yükleme kapağı |
6. Redüktörlü motor |
10. Genleşme dönüş hattı |
14. Su borulu odun ızgarası |
| 3. Kül temizleme kapağı |
7. Helezonlu mil |
11. Doldurma boşaltma |
15. Kül tepsisi (Küllük) |
| 4. Fan |
8. Kazan dönüş hattı |
12. Kazan gidiş hattı |
16. Pelet brülörü |
| MODEL - SERİ ÜKY/DUOPEL |
25 |
40 |
60 |
80 |
100 |
| Kullanılan Yakıt Türü |
Odun Peleti, Odun |
| Isıtma Gücü |
kw |
25 |
40 |
60 |
80 |
100 |
| kcal/h |
21.500 |
34.400 |
51.600 |
68.800 |
86.000 |
| Brülör Namlu Uzunluğu |
mm |
250 |
305 |
| Yakıt Kapasitesi |
kg |
150 |
| Odun Yükleme Kapasitesi |
Lt |
48 |
65 |
75 |
98 |
| Yakıt Besleme Ağzı |
mm |
200x355 |
200x405 |
200x500 |
190x585 |
| Yanma Odası Derinliği |
mm |
475 |
640 |
850 |
920 |
| Su Hacmi |
Lt |
80 |
115 |
150 |
210 |
255 |
| Kazan Ağırlığı |
kg |
320 |
360 |
460 |
595 |
705 |
| Bacada İstenilen Çıkış |
Pa |
25-28 |
28-31 |
31-33 |
33-35 |
35-40 |
| Sıcaklık Kontrol Aralığı |
ºC |
40-80 |
| Tesisat Dönüş Sıcaklığı (Önerilen) |
ºC |
40 |
| Maksimum İşletme Basıncı |
bar |
3 |
| Test Basıncı |
bar |
5 |
| Ölçüler |
a |
mm |
515 |
565 |
662 |
780 |
| b |
mm |
880 |
1050 |
1265 |
1335 |
| c |
mm |
500 |
| d |
mm |
1200 |
1250 |
| e |
mm |
600 |
770 |
980 |
1055 |
| f |
mm |
1375 |
1450 |
| g |
mm |
1000 |
1050 |
1150 |
1250 |
| h |
mm |
1495 |
1570 |
| Baca Çapı |
mm |
130 |
180 |
220 |
| Min-Maksimum Baca Sıcaklığı |
ºC |
170-210 |
| Tesisat Gidiş - Dönüş Boruları |
R" |
1" |
1 ¼" |
1 ½" |
2" |
| Genleşme Gidiş - Dönüş Boruları |
R" |
1" |
1½" |
| Doldurma - Boşaltma Boruları |
R" |
½" |
3/4" |
| Elektrik Bağlantısı |
V/Hz |
230/50 |
*Ölçülerde değişiklik yapma hakkımız saklıdır.